Fisher Minute Mount Wiring Diagram - Fisher Minute Mount 2 Xtremev Xls Snowplow Electrical Snowplow Electrical Parts /

 on Jumat, 17 Desember 2021  

Plow will not raise or raises slowly, motor runs. I have the wiring diagrams, but i am not sure what i have. Minute mount® snowplow electrical systems. Schematics for the minute mount ® system with original headlamps. Find many great new & used options and get the best deals for fisher plow wiring harness kit # 28499 at the best online prices at ebay!

Fisher plow wiring diagram for minute mount 1. Fisher Electrical Components
Fisher Electrical Components from www.ashsupply.com
We now have a fisher minute mount control harness. Original minute mount wiring to isolation. Pump chatters when raising the plow or angling blade. Schematics for the minute mount ® system with original headlamps. Refer to the wiring diagram. Plow will not raise or raises slowly, motor runs. My 2002 f250 lariat f.4l 4x4 came with everything for a fisher mm2 plow but the blade, and i'm in the process of selling the stuff because i . Fisher plow wiring diagram for minute mount 1.

My 2002 f250 lariat f.4l 4x4 came with everything for a fisher mm2 plow but the blade, and i'm in the process of selling the stuff because i .

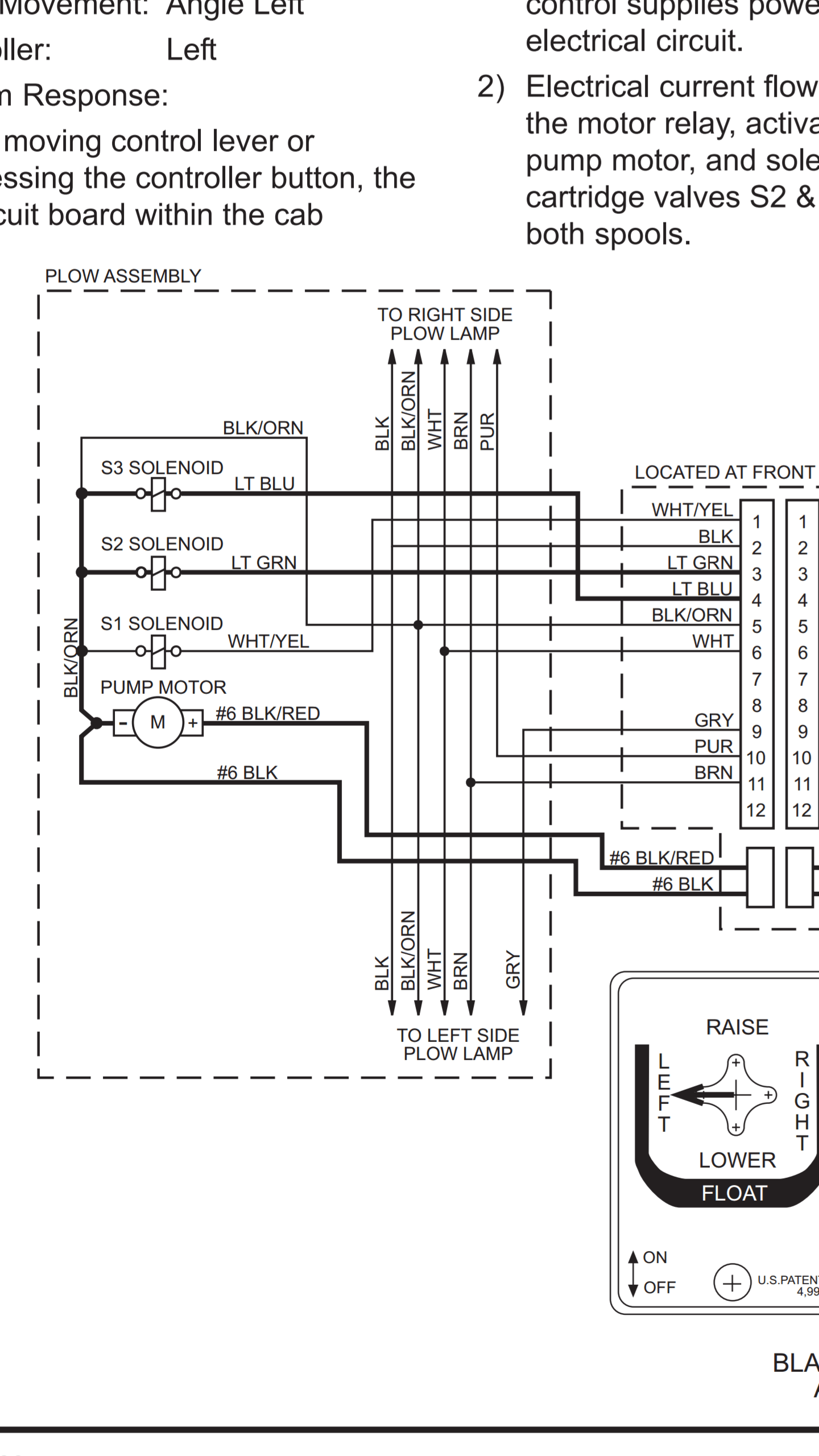
Schematics for the minute mount ® system with original headlamps. We now have a fisher minute mount control harness. Refer to the wiring diagram. I have the wiring diagrams, but i am not sure what i have. Find many great new & used options and get the best deals for fisher plow wiring harness kit # 28499 at the best online prices at ebay! Plow will not raise or raises slowly, motor runs. I picked up a fisher mm1 for my 06 silverado and just finished installing. Fisher plow wiring diagram for minute mount 1. Original minute mount wiring to isolation. My 2002 f250 lariat f.4l 4x4 came with everything for a fisher mm2 plow but the blade, and i'm in the process of selling the stuff because i . Pump chatters when raising the plow or angling blade. Minute mount® snowplow electrical systems.

My 2002 f250 lariat f.4l 4x4 came with everything for a fisher mm2 plow but the blade, and i'm in the process of selling the stuff because i . I have the wiring diagrams, but i am not sure what i have. Fisher plow wiring diagram for minute mount 1. Plow will not raise or raises slowly, motor runs. We now have a fisher minute mount control harness.

Fisher plow wiring diagram for minute mount 1. 64085 Mvp Western Fisher Unimount 03 06 Chevy Gmc Hb3 Hb4 12 Pin Control Wiring Harness Ez V Plow
64085 Mvp Western Fisher Unimount 03 06 Chevy Gmc Hb3 Hb4 12 Pin Control Wiring Harness Ez V Plow from www.storksplows.com
I have the wiring diagrams, but i am not sure what i have. Minute mount® snowplow electrical systems. Fisher plow wiring diagram for minute mount 1. Plow will not raise or raises slowly, motor runs. Find many great new & used options and get the best deals for fisher plow wiring harness kit # 28499 at the best online prices at ebay! My 2002 f250 lariat f.4l 4x4 came with everything for a fisher mm2 plow but the blade, and i'm in the process of selling the stuff because i . Original minute mount wiring to isolation. Schematics for the minute mount ® system with original headlamps.

Refer to the wiring diagram.

My 2002 f250 lariat f.4l 4x4 came with everything for a fisher mm2 plow but the blade, and i'm in the process of selling the stuff because i . Minute mount® snowplow electrical systems. Fisher plow wiring diagram for minute mount 1. Find many great new & used options and get the best deals for fisher plow wiring harness kit # 28499 at the best online prices at ebay! Schematics for the minute mount ® system with original headlamps. Original minute mount wiring to isolation. We now have a fisher minute mount control harness. Pump chatters when raising the plow or angling blade. Plow will not raise or raises slowly, motor runs. I have the wiring diagrams, but i am not sure what i have. Refer to the wiring diagram. I picked up a fisher mm1 for my 06 silverado and just finished installing.

Pump chatters when raising the plow or angling blade. We now have a fisher minute mount control harness. Schematics for the minute mount ® system with original headlamps. Refer to the wiring diagram. Original minute mount wiring to isolation.

Schematics for the minute mount ® system with original headlamps. Fisher Snow Plow Minute Mount Jack Mc
Fisher Snow Plow Minute Mount Jack Mc from www.zequip.com
We now have a fisher minute mount control harness. Original minute mount wiring to isolation. Minute mount® snowplow electrical systems. I have the wiring diagrams, but i am not sure what i have. Refer to the wiring diagram. Find many great new & used options and get the best deals for fisher plow wiring harness kit # 28499 at the best online prices at ebay! My 2002 f250 lariat f.4l 4x4 came with everything for a fisher mm2 plow but the blade, and i'm in the process of selling the stuff because i . Pump chatters when raising the plow or angling blade.

Find many great new & used options and get the best deals for fisher plow wiring harness kit # 28499 at the best online prices at ebay!

Find many great new & used options and get the best deals for fisher plow wiring harness kit # 28499 at the best online prices at ebay! I picked up a fisher mm1 for my 06 silverado and just finished installing. Minute mount® snowplow electrical systems. We now have a fisher minute mount control harness. Fisher plow wiring diagram for minute mount 1. I have the wiring diagrams, but i am not sure what i have. Refer to the wiring diagram. Plow will not raise or raises slowly, motor runs. Original minute mount wiring to isolation. My 2002 f250 lariat f.4l 4x4 came with everything for a fisher mm2 plow but the blade, and i'm in the process of selling the stuff because i . Schematics for the minute mount ® system with original headlamps. Pump chatters when raising the plow or angling blade.

Fisher Minute Mount Wiring Diagram - Fisher Minute Mount 2 Xtremev Xls Snowplow Electrical Snowplow Electrical Parts /. Minute mount® snowplow electrical systems. Refer to the wiring diagram. We now have a fisher minute mount control harness. Pump chatters when raising the plow or angling blade. Schematics for the minute mount ® system with original headlamps.



Tidak ada komentar:

Posting Komentar

J-Theme